Modul laser dhuwur 1653.7NM nggunakake konstruksi planar kanthi chip ing subcarrier. Dhuwur chip daya hermically disegel ing paket kupu-kupu-kupu-kupu-kupu-kupu-kupu-kupu-kupu bebas lan fluks-pin Thermistor, termoelektrik luwih adhem, lan ngawasi diode kanggo ngamanake kinerja laser sing berkualitas tinggi. 1653NM 40MW 40MW BTF Laser Dioda kanggo metana deteksi gas yaiku telcordia gr-468 mumpuni, lan selaras karo arahan roh.
Modul laser dhuwur 1653.7NM nggunakake konstruksi planar kanthi chip ing subcarrier. Chip daya dhuwur kanthi hermetically disegel ing paket kupu-kupu-kupu-kupu-kupu-kupu-kupu-kupu-kupu lan flux-pin gratis lan dilengkapi karo termistor, termoelektrik luwih adhem, lan ngawasi dioda kanggo ngamanake kinerja laser sing berkualitas tinggi. Produk laser kita yaiku Telcordia Gr-468 mumpuni, lan selaras karo arahan ROHS.
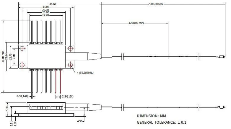
● paket kupu-kupu 14-pin standar;
● dibangun lan isolator tec sing dibangun lan optik;
● Pagelaran tinggi, multiquantum uga (mqw) laser (DFB) umpan balik (DFB).
● Tes produksi komponen pasif kanggo deteksi gas;
● Sistem deteksi fiber;
● Sumber laser.
| Parameter | Simbol | Kondisi | Min. | Pilih. | Max. | Unit |
| Waller Center | lc | Tl = 15 ~ 35 ℃ ℃ ℃ | 1652.7 | 1653.7 | 1654.7 | nm |
| Daya output optik | Sawise | Cw | - | 40 | - | mw |
| Saiki Saiki | Ith | Cw | - | 15 | 40 | ma |
| Ld maju saiki | Yen | PF = Power | - | 300 | 400 | ma |
| ILIRIT OPTIKAL | - | -10 |
30
|
-
|
-
|
db |
|
| Rasio Suppression Side | SMSR | Cw | 35 | 40 | - | db |
| Monitor responitas | Vaksinasi | - | - | 1 | 20 | yaiku / mw |
| Monitor stabilitas tanggung jawab | - | - | - | - | 20% | - |
| Monitor saiki | Id | VPD = 5V | - | - | 50 | na |
| Tec Saiki | ITEC | Tapis = 75 ℃ | - | - | 2 | A |
| TEC voltase | Vtec | Tapis = 75 ℃ | - | - | 3.5 | V |
| Konsumsi Daya TEC | P | TSTG = 25 ℃ | - | - | 5 | W |
| Rintangan Thermistor | Rth | Tapis = 75 ℃ | 9.5 | 10 | 10.5 | Kohm |
| Thermistor B Constant | Bth | TSTG = 25 ℃ | - | 3900 | - | K |
| Gelombang gelombang (eol) | △ λ | Dites luwih saka 25 taun | - | - | ± 0.1 | nm |
| Gelombang. Koefisien suhu | DL / DT | Suhu TEC ing 15 ℃ nganti 35 ℃ | - | 0.09 | - | nm / ℃ |
| Gelombang kerjayaan saiki | DL / di | - | - | 0.01 | - | Nm / ing |

Kabeh produk wis diuji sadurunge dikirim;
Kabeh produk duwe garansi 1 taun. (Sawise jaminan kualitas wiwit ngisi biaya layanan pangopènan sing cocog.)
We appreciate bisnis sampeyan lan nawakake kabijakan bali 7 dina. (7 dina sawise nampa barang-barang);
Yen barang sing sampeyan tuku saka toko kita dudu kualitas sing disampurnakake, mula ora bisa ditindakake kanthi sacara elektronik kanggo produsen kanggo kita kanggo ngganti utawa mbalekaken;
Yen barang cacat, mangga pengiriman informasi sajrone 3 dina pangiriman;
Barang-barang kudu dibalekake kanthi syarat asline kanggo layak kanggo mbalekaken utawa ngganti;
Sing tuku tanggung jawab kanggo kabeh biaya pengiriman sing ditanggung.
P: Apa akurasi gelombang gelombang?
A: +/- 0.5nm.
P: Apa sampeyan duwe versi kekuwatan output?
A: 10mw, 15mw, 50mw.
C-band Narrow Linewidth Integrated Tunable Laser Assembly ITLA
1550nm 40mW 200Khz Sempit Linewidth DFB Butterfly Laser Diode
1550nm 40mW 600Khz Paket Kupu-kupu DFB Sempit Linewidth Laser Diode
1550nm 50mW 100Khz Sempit Linewidth DFB Butterfly Laser Diode
1550nm 2mW 5mW Dioda Laser Koaksial Lebar Garis Sempit
1550nm 100MW 100KHz 100kHz 100kHz sempit linewidth dfb laser laser diode btf karo smiber sm / pmHak cipta @ 2020 Shenzhen Box Optronics Technology Co., Ltd - Modul Optik Serat China, Pabrikan laser serat, Produsen komponen laser kabeh hak dilindhungi undhang-undhang.