1653nm 40mW DFB Laser Diode Kanggo Sensor Metana CH4 Sensing nggunakake konstruksi planar kanthi chip ing subcarrier. Chip daya dhuwur disegel kanthi hermetik ing paket kupu-kupu 14-pin tanpa epoksi lan bebas fluks lan dipasang karo termistor, pendingin termoelektrik, lan dioda monitor kanggo ngamanake kinerja laser sing berkualitas tinggi. Produk laser kita nduweni kualifikasi Telcordia GR-468, lan tundhuk karo arahan RoHS.
1653nm 40mW DFB Laser Diode Kanggo Sensor Metana CH4 Sensing nggunakake konstruksi planar kanthi chip ing subcarrier. Chip daya dhuwur disegel kanthi hermetik ing paket kupu-kupu 14-pin tanpa epoksi lan bebas fluks lan dipasang karo termistor, pendingin termoelektrik, lan dioda monitor kanggo ngamanake kinerja laser sing berkualitas tinggi. Produk laser kita nduweni kualifikasi Telcordia GR-468, lan tundhuk karo arahan RoHS.
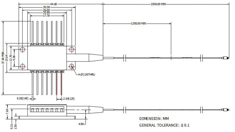
Paket kupu-kupu 14-pin standar industri;
Dibangun ing TEC lan isolator optik;
Laser distributed-feedback (DFB) kinerja dhuwur, sumur multiquantum (MQW).
Tes produksi komponen pasif kanggo deteksi gas;
Sistem deteksi gas serat;
sumber laser.
| Parameter | Simbol | kahanan | Min. | Tipe. | Maks. | Unit |
| Dawane gelombang tengah | λc | TL=15~35℃ CW | 1652.7 | 1653.7 | 1654.7 | nm |
| Daya output optik | Po | CW | - | 40 | - | mW |
| LD Ambang saiki | ITH | CW | - | 15 | 40 | mA |
| LD Maju saiki | Yen | Pf = Daya Rated | - | 300 | 400 | mA |
| Isolasi optik | - | -10 < TC < +70 ℃ | 30 | - | - | dB |
| Rasio supresi mode sisih | SMSR | CW | 35 | 40 | - | dB |
| Monitor tanggung jawab | Aku / Pf | - | - | 1 | 20 | uA/mW |
| Ngawasi stabilitas responsif | - | - | - | - | 20% | - |
| Monitor saiki peteng | Id | VPD = 5 V | - | - | 50 | nA |
| TEC Saiki | ITEC | Kasus = 75 ℃ | - | - | 2 | A |
| Tegangan TEC | VTEC | Kasus = 75 ℃ | - | - | 3.5 | V |
| konsumsi daya TEC | P | Tstg = 25 ℃ | - | - | 5 | W |
| Ketahanan Termistor | Rth | Kasus = 75 ℃ | 9.5 | 10 | 10.5 | Kohm |
| Thermistor B konstan | Bth | Tstg = 25 ℃ | - | 3900 | - | K |
| Gelombang Drift (EOL) | △λ | Dites liwat umur 25 taun | - | - | ± 0.1 | nm |
| ombak. Koefisien suhu | Δλ/ΔT | Suhu TEC ing 15 ℃ nganti 35 ℃ | - | 0.09 | - | nm/℃ |
| Panjang gelombang Koefisien saiki | Δλ/ΔΙ | - | - | 0.01 | - | nm/mA |

Kabeh produk wis dites sadurunge dikirim metu;
Kabeh produk duwe garansi 1-3 taun. (Sawise periode jaminan kualitas wiwit ngisi ragad layanan pangopènan sing cocog.)
We appreciate bisnis lan nawakake cepet 7 dina bali kabijakan. (7 dina sawise nampa barang);
Yen barang sing sampeyan tuku saka toko ora kualitas sing sampurna, tegese ora bisa digunakake kanthi elektronik kanggo spesifikasi pabrikan, mung bali menyang kita kanggo ngganti utawa mbalekaken;
Yen item sing risak, please kabar kita ing 3 dina saka pangiriman;
Sembarang item kudu bali ing kondisi asli kanggo nduweni kanggo mbalekaken utawa panggantos;
Panuku tanggung jawab kanggo kabeh biaya pengiriman sing ditindakake.
P: Apa akurasi dawa gelombang?
A: +/-0,5 nm.
P: Apa sampeyan duwe versi daya output liyane?
A: 10mW, 15mW, 50mW.
1512nm 10mW DFB 14PIN Kupu Laser Kanggo NH3 Sensing
1392nm DFB Butterfly Laser Diode Kanggo Kelembapan H2O Sensing
1653nm DFB Butterfly Laser Diode Kanggo Deteksi CH4
1567nm DFB Butterfly Laser Diode Kanggo CO Sensing
1578nm 10mW DFB Laser Diode Kanggo Deteksi Hidrogen Sulfida
1580nm DFB Butterfly Laser Diode Kanggo Deteksi CO2Hak Cipta @ 2020 Shenzhen Box Optronics Technology Co., Ltd. - Modul Serat Optik China, Produsen Laser Gabungan Serat, Pemasok Komponen Laser Kabeh Hak Dilindungi.