850nm Fabry Perot FP Fiber-gandeng Laser Diode
  • 850nm Fabry Perot FP Fiber-gandeng Laser Diode 850nm Fabry Perot FP Fiber-gandeng Laser Diode
  • 850nm Fabry Perot FP Fiber-gandeng Laser Diode 850nm Fabry Perot FP Fiber-gandeng Laser Diode
  • 850nm Fabry Perot FP Fiber-gandeng Laser Diode 850nm Fabry Perot FP Fiber-gandeng Laser Diode
  • 850nm Fabry Perot FP Fiber-gandeng Laser Diode 850nm Fabry Perot FP Fiber-gandeng Laser Diode
  • 850nm Fabry Perot FP Fiber-gandeng Laser Diode 850nm Fabry Perot FP Fiber-gandeng Laser Diode

850nm Fabry Perot FP Fiber-gandeng Laser Diode

850nm Fabry-Perot (FP) multi-longitudinal mode kupu-kupu laser diode, nampilaken paket kupu standar karo kontrol suhu TEC dibangun ing lan ngawasi PD, ngirim output optik stabil lan dipercaya.

Kirim Pitakonan

Deskripsi Produk

850nm Fabry-Perot (FP) multi-longitudinal mode kupu-kupu laser diode, nampilaken paket kupu standar karo kontrol suhu TEC dibangun ing lan ngawasi PD, ngirim output optik stabil lan dipercaya.


Fitur

Paket Kupu-kupu 14pin;

Termistor sing dibangun, lan TEC;

Jinis serat bisa dadi serat SM630-HP;

Suhu operasi:-20~ +70 ℃.


Aplikasi

instrumen optik;

sumber laser.


Karakteristik Elektro-Optik (T=25 ℃)

Paramèter Simbol kahanan Min. Tipe. Maks. Unit
Dawane gelombang operasi λc CW, 25 ℃ 840 850 860 nm
Daya output optik PF - 30 - - mW
Ambang saiki ITH 25 ℃ - 10 35 mA
Operasi saiki IOP CW - 255 275 mA
Tegangan operasi VOP 25 ℃ - 2.1 2.3 V
Monitor Arus IMON VRM = 5 V 50 - 1500 μA
MPD Dark saiki ID VRM = 5 V - - 50 μA
resistance termistor RTH 25 ℃ 9.5 10 10.5
Thermistor B-nilai β 25 ℃ / 80 ℃ - 3950 - K


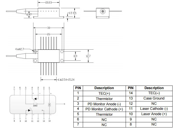
Gambar paket & Definisi PIN-OUT (Unit: mm)

850nm Fabry Perot Fp Fiber Coupled Laser Diode


Ngirim, Ngirim lan Nglayani

Kabeh produk wis dites sadurunge dikirim metu;

Kabeh produk duwe garansi 1-3 taun. (Sawise periode jaminan kualitas wiwit ngisi ragad layanan pangopènan sing cocog.)

We appreciate bisnis lan nawakake cepet 7 dina bali kabijakan. (7 dina sawise nampa barang);

Yen barang sing sampeyan tuku saka toko ora kualitas sing sampurna, tegese ora bisa digunakake kanthi elektronik kanggo spesifikasi pabrikan, mung bali menyang kita kanggo ngganti utawa mbalekaken;

Yen item sing risak, please kabar kita ing 3 dina saka pangiriman;

Sembarang item kudu bali ing kondisi asli kanggo nduweni kanggo mbalekaken utawa panggantos;

Panuku tanggung jawab kanggo kabeh biaya pengiriman sing ditindakake.

850nm Fabry Perot Fp Fiber Coupled Laser Diode


FAQ

P: Apa ana driver laser sing cocog kasedhiya?

A: Nggih. Kita uga bisa nggabungake dioda lan driver dadi modul sumber laser.


P: Apa sampeyan duwe laser FP dawa gelombang liyane?

A: Ya, 488nm / 520nm / 532nm / 660nm / 850nm / 1064nm ... Hubungi kita kanggo rincian liyane.


Hot Tags: 850nm Fabry Perot FP Fiber-coupled Laser Diode, Produsen, Supplier, Grosir, Pabrik, Customized, Bulk, China, Made in China, Murah, Low Price, Quality

Kategori sing gegandhengan

Kirim Pitakonan

Mangga bebas menehi pitakon ing formulir ing ngisor iki. Kita bakal mangsuli sampeyan ing 24 jam.
X
Kita nggunakake cookie kanggo menehi pengalaman browsing sing luwih apik, nganalisa lalu lintas situs lan nggawe konten pribadi. Kanthi nggunakake situs iki, sampeyan setuju kanggo nggunakake cookie. Kebijakan Privasi
nolak Nampa